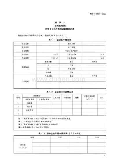
泰安YB/T 4883-2020 《钢铁企业水平衡测试与计算方法》
发布时间:2024-02-18 13:02:42 来源:http://taian.bdthcl.com/ 作者:天澔管道测量公司 浏览:14722次











本文泰安YB/T 4883-2020 《钢铁企业水平衡测试与计算方法》:http://taian.bdthcl.com/hangyebiaozhun/132.html由保定天澔管道测量公司小编整理发布,欢迎浏览阅读。
免责声明:我公司部分文章信息来源于网络,本网站只负责对文章进行整理、排版、编辑,如本站文章和转稿涉及版权等问题,请作者及时联系本站管理人员,我们会尽快处理。


